| штат: | |
|---|---|
| Количество: | |
AA/A/E/B/C.
JC
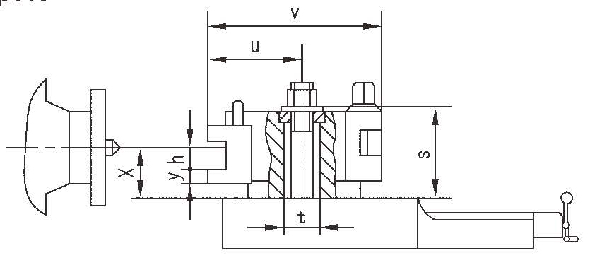
Многофаксный стиль 40 Положение инструмента быстрого изменения

Дизайн:
1. Базовый корпус и держатель инструментов изготовлены из высококачественной стали
, которая закалена и земля
2. Держатель инструментов зажимается против основного тела с помощью эксцентричной системы CAM
Система позволяет повторить точность 0,01 мм с 40 возможными угловыми положениями держателя инструмента.
Применение:
держатели инструментов быстро изменяются, характеризуются их неограниченным разнообразием в использовании токарных инструментов, упражнений, разверток и скучных баров.
Включает 3 стандартных держателя и один скучный держатель

| Элемент | Токарные качания | Xmin | Xmax | y | h | v | s | u | t |
| Аа | 120-220 | 18 | 26 | 6 | 12 | 62.5 | 37 | 33.75 | 13 |
| A | 150-300 | 25.5 | 36.5 | 9.5 | 16 | 104 | 55 | 52.4 | 20 |
| 29.5 | 40.5 | 20 | |||||||
| E | 200-400 | 29 | 40 | 9 | 20 | 132 | 68 | 65.3 | 20 |
| 34 | 43 | 25 | |||||||
| B | 300-500 | 38 | 58 | 13 | 25 | 152 | 77 | 75 | 32 |
| 46 | 57 | 14 | 32 | ||||||
| C | 400-700 | 47 | 92 | 15 | 32 | 191 | 107 | 92 | 40 |
| 55 | 91 | 15 | 40 | 202 | 102 | ||||
| 63 | 91 | 18 | 45 | 202 | 102 |
| Элемент | Каждый набор включает в себя | Северо -запад/кг |
| Аа | 1pc AA, 3PCS AAD12x50, 1pc AAH12x50 | 1.13 |
| A | 1pc a, 3pcs ad20x90, 1pc ah20x90 | 3.60 |
| E | 1pc e, 3pcs ed20x100, 1pc eh30x100 | 7.50 |
| B | 1pc b, 3pcs bd25x120, 1pc bh32x130 | 11.80 |
| C | 1pc C, 3PCS CD32x150, 1pc CH40x160 | 23.70 |
Многофаксный стиль 40 Положение инструмента быстрого изменения

Дизайн:
1. Базовый корпус и держатель инструментов изготовлены из высококачественной стали
, которая закалена и земля
2. Держатель инструментов зажимается против основного тела с помощью эксцентричной системы CAM
Система позволяет повторить точность 0,01 мм с 40 возможными угловыми положениями держателя инструмента.
Применение:
держатели инструментов быстро изменяются, характеризуются их неограниченным разнообразием в использовании токарных инструментов, упражнений, разверток и скучных баров.
Включает 3 стандартных держателя и один скучный держатель

| Элемент | Токарные качания | Xmin | Xmax | y | h | v | s | u | t |
| Аа | 120-220 | 18 | 26 | 6 | 12 | 62.5 | 37 | 33.75 | 13 |
| A | 150-300 | 25.5 | 36.5 | 9.5 | 16 | 104 | 55 | 52.4 | 20 |
| 29.5 | 40.5 | 20 | |||||||
| E | 200-400 | 29 | 40 | 9 | 20 | 132 | 68 | 65.3 | 20 |
| 34 | 43 | 25 | |||||||
| B | 300-500 | 38 | 58 | 13 | 25 | 152 | 77 | 75 | 32 |
| 46 | 57 | 14 | 32 | ||||||
| C | 400-700 | 47 | 92 | 15 | 32 | 191 | 107 | 92 | 40 |
| 55 | 91 | 15 | 40 | 202 | 102 | ||||
| 63 | 91 | 18 | 45 | 202 | 102 |
| Элемент | Каждый набор включает в себя | Северо -запад/кг |
| Аа | 1pc AA, 3PCS AAD12x50, 1pc AAH12x50 | 1.13 |
| A | 1pc a, 3pcs ad20x90, 1pc ah20x90 | 3.60 |
| E | 1pc e, 3pcs ed20x100, 1pc eh30x100 | 7.50 |
| B | 1pc b, 3pcs bd25x120, 1pc bh32x130 | 11.80 |
| C | 1pc C, 3PCS CD32x150, 1pc CH40x160 | 23.70 |